SCR脱硝 设计要求
采用SCR工艺,脱硝工艺要适用于工程己确定的燃料条件,并考虑燃料来源的变化可能性及环保要求提高的可能性;
采用20%氨水作为脱硝还原剂;
烟气脱硝装置的控制系统可进入主机控制系统;
烟气脱硝效率≥90%;
脱硝装置可用率不小于98%,服务寿命为15年;
采用成熟的SCR工艺技术,设备运行可靠;
SCR脱硝 设计要求
采用SCR工艺,脱硝工艺要适用于工程己确定的燃料条件,并考虑燃料来源的变化可能性及环保要求提高的可能性;
采用20%氨水作为脱硝还原剂;
烟气脱硝装置的控制系统可进入主机控制系统;
烟气脱硝效率≥90%;
脱硝装置可用率不小于98%,服务寿命为15年;
采用成熟的SCR工艺技术,设备运行可靠;
根据工程的实际情况尽量减少脱硝装置的建设投资;
脱硝工艺脱硝还原剂、水和能源等消耗少,尽量减少运行费用;
烟气脱硝不能影响机组功率及正常运行,同时,烟气脱硝系统应具备单独运行、单独检修的要求;
我方整个完成脱硝系统的设计、制造、安装、调试、试验及检查、试运行、考核、终交付等。
设计加工制作原则
1、材质选择严格按照甲方要求,保证不降低材质规格。
2、充分考虑设备承重要求,设备内部不发生塌陷,外观没有明显的变形。
3、尽量减小设备的风阻系数,弯头处加装导流板,尽量不造成涡流等现象。
4、充分考虑装置占地面积少、投资和后期运行费用低、生产效率高,具有较好的环境效益、社会效益和一定的经济效益。
储存系统
1尿素溶液制备系统储罐
尿素储罐罐体材料采用304制造,罐上安装有蒸汽加热装置(或有80度热水)、呼吸管、液位显示装置、液位传感器及检修人孔等,并配备现场监控及操作系统。
2泵站模块
尿素溶液通过泵站模块供给计量分配模块,泵站模块可根据整套系统的实际运行情况调整管路压力,使整套系统管路始终保持着一个恒定的压力。泵站模块配备尿素溶液(尿素)加压泵、、背压控制阀、过滤器、阀门、压力显示装置等成套设备(泵组均选用格兰富/南方品牌),并配备远程监控及操作系统。具有外形简洁美观,安装快捷方便,管路联接口分布合理,基本免维护等特点。
3 计量分配模块
尿素溶液、去盐水及压缩空气进入计量分配模块后,尿素溶液根据NOX排放浓度反馈信息通过本模块自动调节尿素溶液的喷射用量;压缩空气则通过分配器分配到每组喷射装置中。
计量分配模块内配有电动调节阀、混合器、分配器、流量计;空气过滤器、减压阀、压力传感器、电磁阀组、气体分配器、及各路液、气压力显示装置及传感装置等。具有整体结构简洁紧凑,集成度高,操作及安装简便,液、气管路联接分布整齐合理,基本免维护等优点。
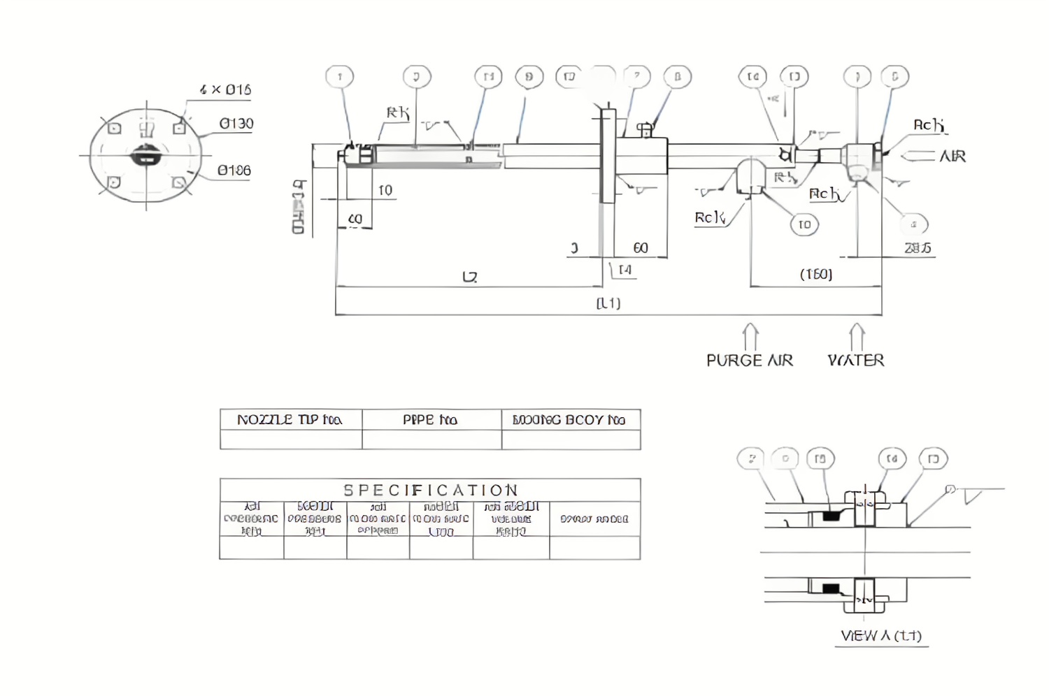
4喷射系统
经过进入炉内部查看分析,根据着火点、火口的位置,在加热炉烟气出口部布置3只实心锥型喷枪,既满足烟气覆盖的宽度,又满足喷射的纵深度.
计量分配模块准确地将定量的还原剂分配给各个喷枪。喷枪采用双流体喷嘴,尿素溶液在压缩空气介质的作用下,被雾化成极小的雾滴喷入炉窑烟气出口处,从而脱除烟气中的NOX。
进口专业防干烧脱硝喷枪

双流体喷枪主要配有:
喷枪本体(含耐高温、耐腐蚀、耐磨喷头);
喷枪专用不锈钢连接软管;
配套阀门、过滤器、调压器、快接等
支撑套管

脱硝催化剂技术要求
催化剂形式为蜂窝式,催化剂质保期内,出口NOx浓度小于400mg/Nm3,氨逃逸≤3ppm,二氧化硫氧化率≤1%,以上性能保证值基于以下条件:
a) 工业炉70%~100%负荷;
b) 脱硝装置入口烟气中NOx 含量不大于 3000mg/Nm30
c) 脱硝装置入口烟气含尘量不大于1000mg/Nm3;
d) SO2 浓度≤500mg/Nm3(干态,实际O2);
吹灰系统
根据本工程粉尘的特性,不需要配备吹灰器。 吹灰器用于将附着在催化剂表面的粉尘吹落,随烟气带走。吹灰器主要分为声波吹灰器及蒸汽吹灰器,根据本工程情况,不选择声波吹灰器。

SCR反应系统结构图(仅供参考)

图片仅供参考,以实物为准
Copyright © 2023 All Rights Reserved. 鲁ICP备2023004697号-2
XML地图